HTM70 薄型感應油壓缸  SD.SDMB ‧Bore:Ø32-Ø80mm ‧Pmax:70kg/c㎡

2D-CAD.DWG圖檔下載

   

1
系列別
HTM70
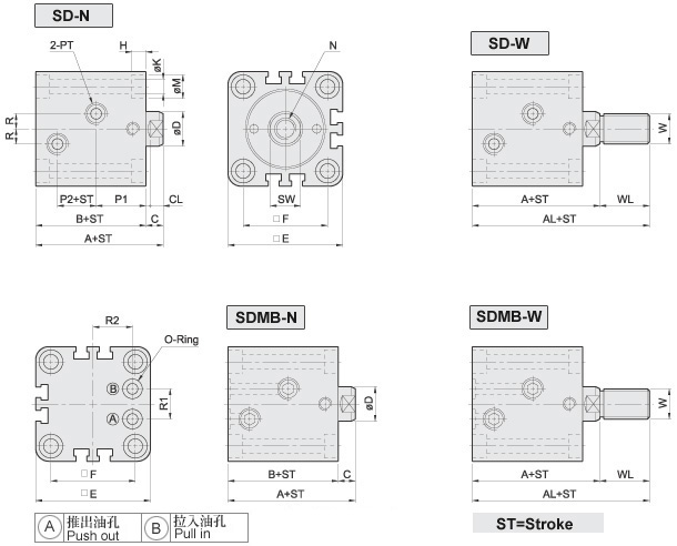
2
安裝型式
SD
   軸向 單軸
SDMB
   軸向 後油路板型
3
油缸內徑
Ø32.Ø40. Ø50. Ø63. Ø80
4
標準行程
10. 20. 30. 40. 50
5
軸端型式
內牙:N          外牙:W  
6
近接開關
1個S1    2個S2
    電壓 DC4-24V 電流5-40mA
AC4-120V

UNIT:mm
HTM 70 HTM 140

回首頁

STARLET,APMATIC 新州企業有限公司

地址: 242臺北縣新莊市福營路153號
電話: 886-2-22095223,886-2-29086332
傳真: 886-2-22095227