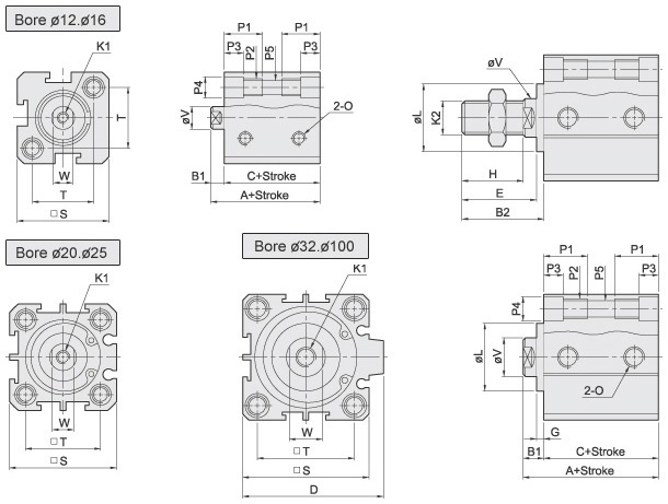
AJC 空壓治具缸  SD ‧Bore:Ø12-Ø100mm ‧Pmax:10kg/c㎡

2D-CAD.DWG圖檔下載


UNIT:mm
SD SW

回首頁

STARLET,APMATIC 新州企業有限公司

地址: 242臺北縣新莊市福營路153號
電話: 886-2-22095223,886-2-29086332
傳真: 886-2-22095227